indbarnar1

关于金馏

———

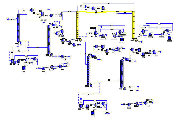
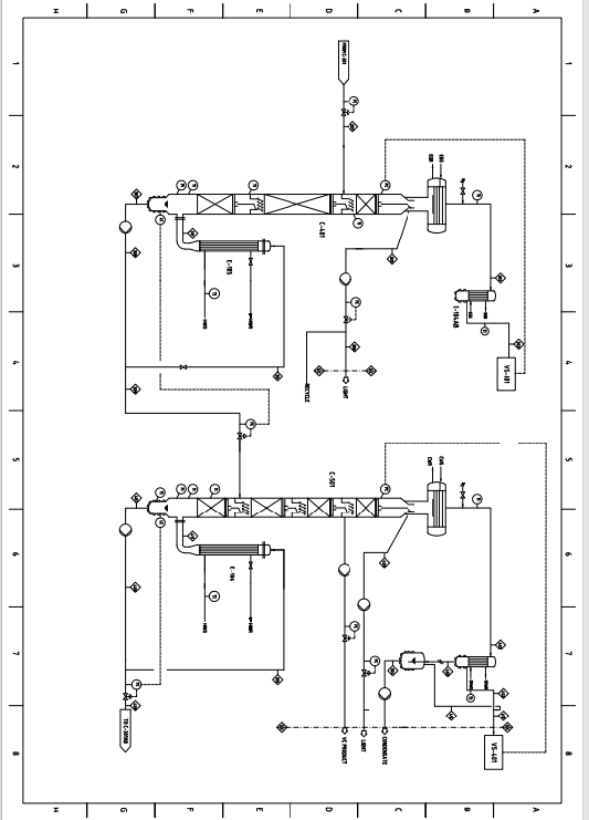
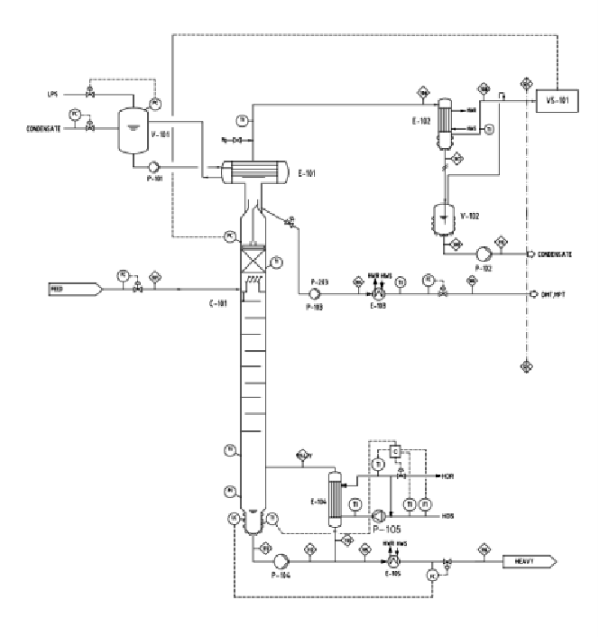
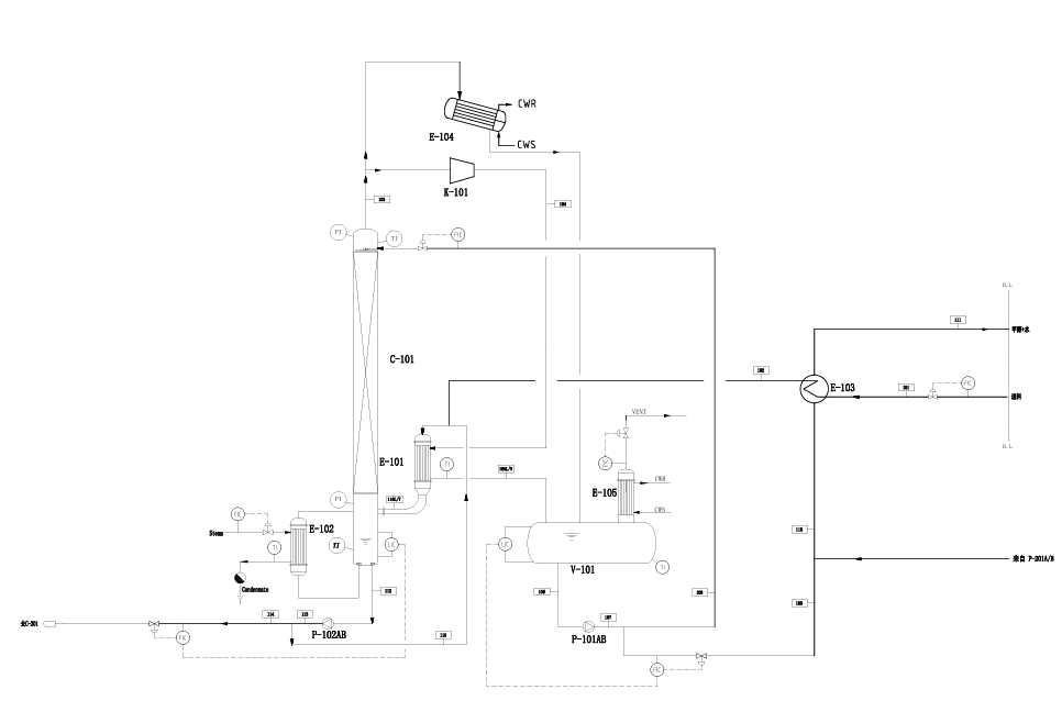
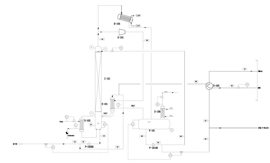
金镏化工技术专注于精馏工艺包的研发,特别在精细化工、特种化工、稀有化工和空分等行业领域。同时提供现存精馏系统的改造服务,降低能耗、提质增效。

关于金馏
  • 工艺包

    工艺包

    碳酸亚乙烯酯VC| 氟代碳酸乙烯酯FEC| 气凝胶| 过氧化二异丙苯DCP| 四甲基哌碇酮项目| 空气分离|

    了解更多信息
  • 高性能产品

    高性能产品

    填料| 塔板| 塔内件| 反应器内件| 备品备件| 表面处理| 精馏和吸收技术| 液液萃取技术|

    了解更多信息
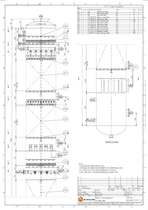
  • 设备服务

    设备服务

    降膜再沸器| 混合反应器| 成套塔器| 成套工艺设备|

    了解更多信息
  • 技术服务

    技术服务

    服务范围| 工艺设计| 新工艺开发| 填料内件安装指导| 开车指导| 工艺服务 - I| 工艺服务 - II| 工艺服务 - III| 工艺服务 - IV|

    了解更多信息

应用案例

  • 可降解塑料中的THF回收

    Recycle THF of PBTA Project

    以精准的工艺技术和高性能的硬件设备实现对目标组分的高效分离,为客户创造价值。

    了解更多信息
  • 含酚废水处理

    Phenol Waste Water Disposal

    以精准的工艺技术和高性能的硬件设备实现对目标组分的高效分离,为客户创造价值。

    了解更多信息
  • 电子级NMP

    Electronic NMP

    以精准的工艺技术和高性能的硬件设备实现对目标组分的高效分离,为客户创造价值。

    了解更多信息
  • 氯甲苯

    Chlorotoluene

    以精准的工艺技术和高性能的硬件设备实现对目标组分的高效分离,为客户创造价值。

    了解更多信息
  • 二氯甲苯

    Dichlorotoluene

    以精准的工艺技术和高性能的硬件设备实现对目标组分的高效分离,为客户创造价值。

    了解更多信息
  • VC/FEC精馏工艺包

    精细化工

    了解更多信息
  • 生物基PDO精馏系统

    精细化工

    了解更多信息
  • MAN精馏

    精细化工

    了解更多信息
  • 重水精馏

    精细化工

    了解更多信息
  • 甲醇回收系统

    精细化工

    了解更多信息
  • DMT精馏系统

    精细化工

    了解更多信息
  • 低温精馏

    空分行业

    了解更多信息
  • 危废气体的处理

    环保

    了解更多信息
Copyright © 2022 金馏化工技术(上海)有限公司 沪ICP备05040207号-2
沪公网安备31010102005400号